家庭女教师免费完整版电视剧,张律渝和吕知樾三部曲怎么看,网红鹿迷晕剧情演绎

产品分类导航

您现在的位置:首页产品中心SS 拨动开关-详细内容
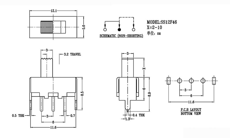
SS-12F46

SS-12F46

日期:2018/6/6    阅读:1494

产品简介:

正拨拨动开关主要技術參數 使用功率/額定值:DC 50V 0.3A~1A 觸點電阻:< 100 mΩ 絕緣電阻:≥ 100 MΩ 耐壓:500V AC for 1 minute 撥動力:180~500gf 使用壽命:10000次 操作溫度:-16℃to+60℃ 儲存溫度:-40℃to+85℃ 符合標準:RoHs&Reach

产品介绍

相关产品推荐
SS-14H03
SS-14H03
SS-16F01NAT
SS-16F01NAT
SS-16F03
SS-16F03
SS-16F04
SS-16F04

在线免费获取定制方案

全国服务热线:0757-26363652

验证码

版权所有Copyright©广东省历合电子有限公司备案号:粤ICP备12057418号

主站蜘蛛池模板: 郎溪县| 奉节县| 平安县| 资阳市| 枝江市| 延川县| 高碑店市| 衡东县| 林芝县| 吉水县| 正宁县| 霸州市| 柘城县| 郸城县| 鹿邑县| 兴宁市| 永定县| 崇礼县| 荆门市| 宜良县| 元谋县| 福安市| 永川市| 读书| 甘南县| 盖州市| 上饶县| 北海市| 新邵县| 库伦旗| 个旧市| 黄梅县| 二连浩特市| 昆明市| 德惠市| 白山市| 齐齐哈尔市| 三门县| 潍坊市| 长岭县| 易门县|